MS750
Описание
Спецификация
Конфигурации прибора
Дифракционные решетки

Оптическая система

Оптическая схема:Черни-Тернера (модели MS7501i и MS7504i – с компенсацией астигматизма)
Порты:1 входной, 2 выходных
Диапазон длин волн:185 нм — 60 мкм
(определяется используемыми решетками)
Относительное отверстие (по входу):1/8.9
Фокусное расстояние (выходное):750 мм
Диапазон сканирования, ограниченный углом поворота решетки*:0 — 1270 нм
Основные зеркала:сферические
Рассеянный свет:5.5 х 10-7
(на расстоянии 20 нм от линии лазера 632.8 нм)
Фокальная плоскость:28 х 10 мм
  • Оптическая схема: Черни-Тернера (модели MS7501i и MS7504i – с компенсацией астигматизма).
  • Порты: 1 входной, 2 выходных.

  • Диапазон длин волн: 185 нм — 60 мкм (определяется используемыми решетками).

  • Относительное отверстие (по входу): 1/8.9.
  • Фокусное расстояние (выходное): 750 мм.
  • Диапазон сканирования, ограниченный углом поворота решетки*: 0 — 1270 нм.
  • Основные зеркала: сферические.

  • Рассеянный свет: 5.5 х 10-7 (на расстоянии 20 нм от линии лазера 632.8 нм).
  • Фокальная плоскость: 28 х 10 мм.

Используемая оптическая схема оптимизирована для:

  • минимизации комы во всем рабочем спектральном диапазоне;
  • исключения переотражения света от двух основных зеркал;
  • исключения переотражения света между зеркалами прибора и входными окнами детекторов, установленных в фокальной плоскости;
  • обеспечения большого плоского фокального поля для всего рабочего спектрального диапазона;
  • обеспечения компенсации астигматизма для всего рабочего спектрального диапазона с использованием специальной корректирующей оптики (для imaging модификаций прибора — моделей MS7504i и MS7501i).

Компенсация астигматизма

Модель:MS7501MS7504MS7501iMS7504i
Горизонтальное увеличение:1.051.051.051.05
Вертикальное увеличение:1.1251.125
Остаточный астигматизм:< 15 мкм< 15 мкм
  • Модель MS7501: горизонтальное увеличение = 1.05
  • Модель MS7504: горизонтальное увеличение = 1.05
  • Модель MS7501i: горизонтальное увеличение = 1.05; вертикальное увеличение = 1.125; остаточный астигматизм менее 15 мкм
  • Модель MS7504i: горизонтальное увеличение = 1.05; вертикальное увеличение = 1.125; остаточный астигматизм менее 15 мкм
Спектральное изображение полученное на монохроматоре-спектографе MS7504i
Увеличенная часть спектрального изображения
Изображение, полученное на монохроматоре-спектрографе MS7504i (дифракционная решетка 1800 штр/мм, источник излучения — ртутно-гелиевая лампа, размер пикселя ПЗС камеры 24х24 мкм). 1 — спектральное изображение полностью; 2 — увеличенная часть изображения.

Оптические характеристики

Тип решетки:1200 штр/мм, λ = 546 нмЭшелле, 75 штр/мм,
λ = 200 нм, 120-й порядок
Обратная линейная дисперсия:1.02 нм/мм0.055 нм/мм
Спектральное разрешение:
ФЭУ, ширина входной щели 10 μм:0.015 нм0.0008 нм
Цифровая камера, 12 μм пиксел, ширина входной щели 15 μм:0.02 нм0.0011 нм
Воспроизводимость:± 0.007 нм± 0.0009 нм
Точность установки длины волны:± 0.034 нм± 0.0045 нм
Средний шаг сканирования:0.0017 нм
Шаг сканирования на 200 нм:2.25 х 10-4 нм
  • Решетка 1200 штр/мм, λ = 546 нм: обратная линейная дисперсия = 1.02 нм/мм, спектральное разрешение ФЭУ (ширина входной щели 10 μм) = 0.015 нм, спектральное разрешение цифровой камеры (12 μм пиксел, ширина входной щели 15 μм) = 0.02 нм, воспроизводимость = ±0.007 нм, точность установки длины волны = ±0.034 нм, средний шаг сканирования = 0.0017 нм.
  • Решетка Эшелле, 75 штр/мм, λ = 200 нм, 120-й порядок: обратная линейная дисперсия = 0.055 нм/мм, спектральное разрешение ФЭУ (ширина входной щели 10 μм) = 0.0008 нм, спектральное разрешение цифровой камеры (12 μм пиксел, ширина входной щели 15 μм) = 0.0011 нм, воспроизводимость = ±0.0009 нм, точность установки длины волны = ±0.0045 нм, шаг сканирования на 200 нм = 2.25 х 10-4 нм.

Механизм развертки по спектру

Двигатель:шаговый, с дроблением шага
Механизм:синусный
Единичный шаг:0.22 угловые секунды
Точность установки:± 1 шаг
Максимальная скорость:10000 шагов/с
  • Двигатель: шаговый, с дроблением шага.
  • Механизм: синусный.
  • Единичный шаг: 0.22 угловые секунды.
  • Точность установки: ± 1 шаг.
  • Максимальная скорость: 10000 шагов/с.

Дифракционные решетки

Размер решетки:80 х 70 х 10 мм
Способ вращения решетки:относительно центра нарезного участка решетки
Крепление решеток в моделях MS7504 и MS7504i:автоматизированная четырёхпозиционная турель
Крепление решеток в моделях MS7501 и MS7501i:держатель на одну сменяемую вручную решетку
Воспроизводимость позиционирования решетки для автоматизированной четырехпозиционной турели (модели MS7504 и MS7504i):
по длине волны*:± 0.03 нм
по вертикальному положению изображения:
типичная± 35 мкм
максимальная± 50 мкм
Воспроизводимость позиционирования решетки для держателя на одну сменяемую вручную решетку (модели MS7501 и MS7501i):
по длине волны*:± 0.05 нм
по вертикальному положению изображения:± 50 мкм
  • Размер решетки: 80 х 70 х 10 мм.
  • Способ вращения решетки: относительно центра нарезного участка решетки.
  • Крепление решеток в моделях MS7504 и MS7504i: автоматизированная четырехпозиционная турель.
  • Крепление решеток в моделях MS7501 и MS7501i: держатель на одну сменяемую вручную решетку.
  • Воспроизводимость позиционирования решетки для автоматизированной четырёхпозиционной турели (модели MS7504, MS7504i): по длине волны* = ±0.03 нм; по вертикальному положению изображения: типичная = ±35 мкм; максимальная = ±50 мкм.
  • Воспроизводимость позиционирования решетки для держателя на одну сменяемую вручную решетку (модели MS7501, MS7501i): по длине волны* = ±0.05 нм; по вертикальному положению изображения = ±50 мкм.

Спектральные щели

Управление шириной щели:автоматическое (шаговый привод) или вручную (микровинт)
Ширина раскрытия щели:плавно регулируемая
от 0 до 2.0 мм
Параллельность ножей:± 1 мкм
Точность
(при ширине щели 1 мм):
± 10 мкм
Воспроизводимость:± 1 мкм
(± 1.5 мкм — ручная щель)
Цена деления микровинта:2 мкм
Единичный шаг (автоматизированная щель):0.5 мкм
Высота щели:от 0 до 10 мм
регулируется диафрагмой
  • Управление шириной щели: автоматическое (шаговый привод) или вручную (микровинт).
  • Ширина раскрытия щели: плавно регулируемая от 0 до 2.0 мм.
  • Параллельность ножей: ± 1 мкм.
  • Точность (при ширине щели 1 мм): ± 10 мкм.
  • Воспроизводимость: ± 1 мкм (± 1.5 мкм — ручная щель).
  • Цена деления микровинта: 2 мкм.
  • Единичный шаг (автоматизированная щель): 0.5 мкм.
  • Высота щели: от 0 до 10 мм – регулируется диафрагмой.

Порты

Количество портов:1 входной, 2 выходных
Воспроизводимость выбора выходного порта (автоматизированное зеркало):± 0.01 нм
Время смены выходного порта:10 сек
  • Количество портов: 1 входной, 2 выходных.
  • Воспроизводимость выбора выходного порта (автоматизированное зеркало): ± 0.01 нм.
  • Время смены выходного порта: 10 сек.

Встроенный затвор

Время перекрытия:~100 мс
Максимальная частота:1 Гц
Управление:программно от встроенного контроллера прибора или TTL-сигналами от внешнего устройства
  • Время перекрытия: ~100 мс.
  • Максимальная частота: 1 Гц.
  • Управление: программно от встроенного контроллера прибора или TTL-сигналами от внешнего устройства.

Управление

Общее управление:от встроенного контроллера
Внешнее управление:от персонального компьютера
Интерфейс связи с компьютером:Ethernet
  • Общее управление: от встроенного контроллера.
  • Внешнее управление: от персонального компьютера.
  • Интерфейс связи с компьютером: Ethernet.

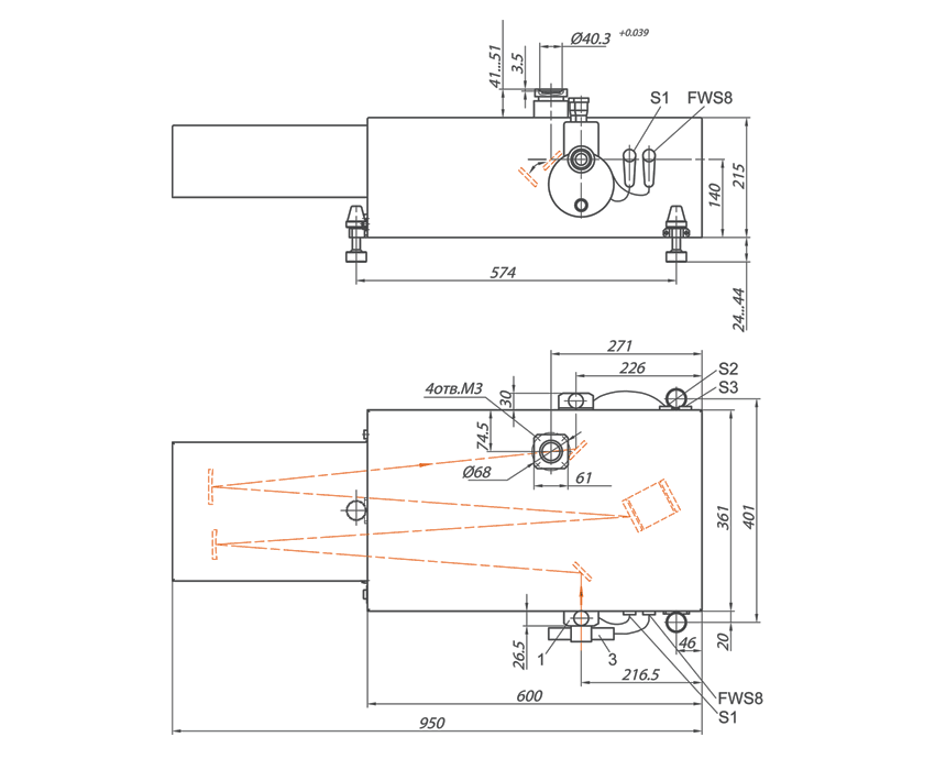
Габаритные размеры

Габаритные размеры
(Д х Ш х В):
950 х 361 х 343 мм
Вес:45 кг (может незначительно отличаться в зависимости от комплектации)
  • Габаритные размеры (Д х Ш х В): 950 х 361 х 343 мм.
  • Вес: 45 кг (может незначительно отличаться в зависимости от комплектации).

* Характеристики приведены для решетки 1200 штр/мм, ширины щели 15 мкм, длины волны 546 нм.